H橋式電機驅動電路工作原理。
內容簡介:H型橋式驅動器有著廣泛的應用,如磁盤驅動、點秒機、汽車電子、伺服系統、玩具等等。這種驅動器在單電源情況下可以提供雙向輸出--由邏輯IC或微控制器進行控制。綜通常使用2個NPN和2個PNP晶體管。如果接通一個NPN晶體管和對角線的PNP晶體管(比舅NPN1和PNP1),則實際上所有的上加電壓都將加到電機負載上。
以前,如果表面安裝產品設計師需要高于幾百毫安電流的話,就不得不采用體積較大的穿孔器件就是價格較高的SOT89,SOT223和D-PAK封裝的表面安裝晶體管。隨著Zetex FMMT718和FMMT719系列NPN,PNP雙極晶體管的推出,SOT23封裝器件也可以驅動峰值電流達到6A,工作電流達到2.5A的負載了。這些SuperSOT器件具有很多優點,例如顯著提高電路效率,節省器件數量和空間,提高可靠性。可以說,這些最先進器件的性能超過了現有的所有SOT23器件和許多SOT89及SOT223器件。
H型橋式驅動器有著廣泛的應用,如磁盤驅動、點秒機、汽車電子、伺服系統、玩具等等。這種驅動器在單電源情況下可以提供雙向輸出--由邏輯IC或微控制器進行控制。綜通常使用2個NPN和2個PNP晶體管。所有晶體管都是發射極接地(見圖1)。如果接通一個NPN晶體管和對角線的PNP晶體管(比舅NPN1和PNP1),則實際上所有的上加電壓都將加到電機負載上。接通另一對晶體管則使負載上的電壓方向相反。H型橋式晶體管常常要求附加的集電極-發射極保護二極管,以防止負載電機可能產生的瞬態電流和反饋電流損壞晶體管。
在電池供電的情況中,關鍵是使電源電壓盡可能全部通過負載,以使通過提高效率和使最低可用電壓減小來延長電池壽命,圖2所示的橋式電路可以提供1.5A的負載電流。通過基極電阻就可以很容易的調整電流(對PNP,將IB設定到最大電流的1/50,對NPN管IB設定為1/100)。電流為1.5A時,無論NPN或PNP管的飽和壓降都僅為0.3V,電流更小時,飽和壓降將再將低一半。
通過低飽和損耗和低基極驅動電平,FMMT618/718可以提高電機的性能和壽命。因為它們的反負hFE足夠高,能夠導通反饋電流和瞬態電流,通常不通需要并聯保護二極管。使用體積小的SOT23封裝和少的器件數量意味著減少PCB的面積和降低成本。
一、H橋式電機驅動電路
如圖所示,H橋式電機驅動電路包括4個三極管和一個電機。要使電機運轉,必須導通對角線上的一對三極管。根據不同三極管對的導通情況,電流可能會從左至右或從右至左流過電機,從而控制電機的轉向。
要使電機運轉,必須使對角線上的一對三極管導通。例如,如圖2所示,當Q1管和Q4管導通時,電流就從電源正極經Q1從左至右穿過電機,然后再經Q4回到電源負極。按圖中電流箭頭所示,該流向的電流將驅動電機順時針轉動。
當三極管Q1和Q4導通時,電流將從左至右流過電機,從而驅動電機按特定方向轉動(電機周圍的箭頭指示為順時針方向)。
圖3所示為另一對三極管Q2和Q3導通的情況,電流將從右至左流過電機。
當三極管Q2和Q3導通時,電流將從右至左流過電機,從而驅動電機沿另一方向轉動(電機周圍的箭頭表示為逆時針方向)。
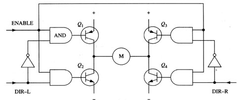
二、使能控制和方向邏輯
驅動電機時,保證H橋上兩個同側的三極管不會同時導通非常重要。如果三極管Q1和Q2同時導通,那么電流就會從正極穿過兩個三極管直接回到負極。此時,電路中除了三極管外沒有其他任何負載,因此電路上的電流就可能達到最大值(該電流僅受電源性能限制),甚至燒壞三極管。
基于上述原因,在實際驅動電路中通常要用硬件電路方便地控制三極管的開關。
圖4所示就是基于這種考慮的改進電路,它在基本H橋電路的基礎上增加了4個與門和2個非門。4個與門同一個“使能”導通信號相接,這樣,用這一個信號就能控制整個電路的開關。而2個非門通過提供一種方向輸人,可以保證任何時候在H橋的同側腿上都只有一個三極管能導通。(與本節前面的示意圖一樣,圖4.15所示也不是一個完整的電路圖,特別是圖中與門和三極管直接連接是不能正常工作的。)
采用以上方法,電機的運轉就只需要用三個信號控制:兩個方向信號和一個使能信號。如果DIR-L信號為0,DIR-R信號為1,并且使能信號是1,那么三極管Q1和Q4導通,電流從左至右流經電機(如圖5所示);如果DIR-L信號變為1,而DIR-R信號變為0,那么Q2和Q3將導通,電流則反向流過電機。
實際使用的時候,用分立件制作H橋式是很麻煩的,好在現在市面上有很多封裝好的H橋集成電路,接上電源、電機和控制信號就可以使用了,在額定的電壓和電流內使用非常方便可靠。比如常用的L293D、L298N、TA7257P、SN754410等。
轉載請說明來自西安泰富西瑪電機(西安西瑪電機集團股份有限公司)官方網站:http://m.925ag.com.cn/zixun/dianjibaike108.html
H型橋式驅動器有著廣泛的應用,如磁盤驅動、點秒機、汽車電子、伺服系統、玩具等等。這種驅動器在單電源情況下可以提供雙向輸出--由邏輯IC或微控制器進行控制。綜通常使用2個NPN和2個PNP晶體管。所有晶體管都是發射極接地(見圖1)。如果接通一個NPN晶體管和對角線的PNP晶體管(比舅NPN1和PNP1),則實際上所有的上加電壓都將加到電機負載上。接通另一對晶體管則使負載上的電壓方向相反。H型橋式晶體管常常要求附加的集電極-發射極保護二極管,以防止負載電機可能產生的瞬態電流和反饋電流損壞晶體管。
在電池供電的情況中,關鍵是使電源電壓盡可能全部通過負載,以使通過提高效率和使最低可用電壓減小來延長電池壽命,圖2所示的橋式電路可以提供1.5A的負載電流。通過基極電阻就可以很容易的調整電流(對PNP,將IB設定到最大電流的1/50,對NPN管IB設定為1/100)。電流為1.5A時,無論NPN或PNP管的飽和壓降都僅為0.3V,電流更小時,飽和壓降將再將低一半。
通過低飽和損耗和低基極驅動電平,FMMT618/718可以提高電機的性能和壽命。因為它們的反負hFE足夠高,能夠導通反饋電流和瞬態電流,通常不通需要并聯保護二極管。使用體積小的SOT23封裝和少的器件數量意味著減少PCB的面積和降低成本。
一、H橋式電機驅動電路
圖1中所示為一個典型的直流電機控制電路。電路得名于“H橋式驅動電路”是因為它的形狀酷似字母H。4個三極管組成H的4條垂直腿,而電機就是H中的橫杠(注意:圖1及隨后的兩個圖都只是示意圖,而不是完整的電路圖,其中三極管的驅動電路沒有畫出來)。
在電路設計當中,全橋的作用非常重要,當橋式整流電路當中的四個二極管封裝在一起時就構成了全橋電路,而全橋電路實際上就是我們常說的H橋電路。本篇文章將主要介紹H橋電機驅動的工作原理,從逆時針和順時針兩個方面來進行全面的分析。
如圖所示,H橋式電機驅動電路包括4個三極管和一個電機。要使電機運轉,必須導通對角線上的一對三極管。根據不同三極管對的導通情況,電流可能會從左至右或從右至左流過電機,從而控制電機的轉向。
圖1 H橋式電機驅動電路
要使電機運轉,必須使對角線上的一對三極管導通。例如,如圖2所示,當Q1管和Q4管導通時,電流就從電源正極經Q1從左至右穿過電機,然后再經Q4回到電源負極。按圖中電流箭頭所示,該流向的電流將驅動電機順時針轉動。
當三極管Q1和Q4導通時,電流將從左至右流過電機,從而驅動電機按特定方向轉動(電機周圍的箭頭指示為順時針方向)。
圖2 H橋電路驅動電機順時針轉動
圖3所示為另一對三極管Q2和Q3導通的情況,電流將從右至左流過電機。
當三極管Q2和Q3導通時,電流將從右至左流過電機,從而驅動電機沿另一方向轉動(電機周圍的箭頭表示為逆時針方向)。
圖3 H橋電路驅動電機逆時針轉動
二、使能控制和方向邏輯
驅動電機時,保證H橋上兩個同側的三極管不會同時導通非常重要。如果三極管Q1和Q2同時導通,那么電流就會從正極穿過兩個三極管直接回到負極。此時,電路中除了三極管外沒有其他任何負載,因此電路上的電流就可能達到最大值(該電流僅受電源性能限制),甚至燒壞三極管。
基于上述原因,在實際驅動電路中通常要用硬件電路方便地控制三極管的開關。
圖4所示就是基于這種考慮的改進電路,它在基本H橋電路的基礎上增加了4個與門和2個非門。4個與門同一個“使能”導通信號相接,這樣,用這一個信號就能控制整個電路的開關。而2個非門通過提供一種方向輸人,可以保證任何時候在H橋的同側腿上都只有一個三極管能導通。(與本節前面的示意圖一樣,圖4.15所示也不是一個完整的電路圖,特別是圖中與門和三極管直接連接是不能正常工作的。)
圖4 具有使能控制和方向邏輯的H橋電路
采用以上方法,電機的運轉就只需要用三個信號控制:兩個方向信號和一個使能信號。如果DIR-L信號為0,DIR-R信號為1,并且使能信號是1,那么三極管Q1和Q4導通,電流從左至右流經電機(如圖5所示);如果DIR-L信號變為1,而DIR-R信號變為0,那么Q2和Q3將導通,電流則反向流過電機。
圖5 使能信號與方向信號的使用
實際使用的時候,用分立件制作H橋式是很麻煩的,好在現在市面上有很多封裝好的H橋集成電路,接上電源、電機和控制信號就可以使用了,在額定的電壓和電流內使用非常方便可靠。比如常用的L293D、L298N、TA7257P、SN754410等。
轉載請說明來自西安泰富西瑪電機(西安西瑪電機集團股份有限公司)官方網站:http://m.925ag.com.cn/zixun/dianjibaike108.html
以上內容由西安泰富西瑪電機(西安西瑪電機集團股份有限公司)網絡編輯部收集整理發布,僅為傳播更多電機行業相關資訊及電機相關知識,僅供網友、用戶、及廣大經銷商參考之用,不代表西安泰富西瑪電機同意或默認以上內容的正確性和有效性。讀者根據本文內容所進行的任何商業行為,西安泰富西瑪電機不承擔任何連帶責任。如果以上內容不實或侵犯了您的知識產權,請及時與我們聯系,西安泰富西瑪電機網絡部將及時予以修正或刪除相關信息。
- 上一篇: 步進電機的速度控制及運動規律。
- 下一篇: 電機風罩的工作原理及其用途。
他們還瀏覽了...
- 2022-7-3電機風罩的工作原理及其用途。
- 2022-5-14高效節能電機過熱原因分析
- 2022-4-17多大功率的電機才需要降壓啟動?
- 2022-4-10如何看懂電機的型號?
- 2022-4-10電機維修期間應考慮什么?
- 2018-3-5步進電機的速度控制及運動規律。
- 2018-3-4三相異步電動機運行中的監視方法。
- 2018-3-2調制器提高運動控制效率設計方案介紹。
- 2018-3-2開關磁阻電機的特點及應用。
- 2018-3-1電機維修中錯誤的操作帶來的危害性。
行業資訊
電機風罩的工作原理及其用途。
高壓電機軸磨損維修的詳細流程
三相異步電動機安裝步驟以及西瑪電機的故障檢查
西瑪電機接線中最常見的幾種錯誤
綠色發展可以幫助電機廠家解決利潤問題
高效節能電機過熱原因分析
需要更換高效節能的電機的必要性分析!
西安西瑪電機頻率和速度之間的數學關系
高壓電機軸磨損維修的詳細流程
三相異步電動機安裝步驟以及西瑪電機的故障檢查
西瑪電機接線中最常見的幾種錯誤
綠色發展可以幫助電機廠家解決利潤問題
高效節能電機過熱原因分析
需要更換高效節能的電機的必要性分析!
西安西瑪電機頻率和速度之間的數學關系
西安西瑪電機舉辦“迎國慶”員工趣味運動項目比
關于西安西瑪電機的工作制,大家了解一下。
西安西瑪電機工會慶祝3月8日的評選頒獎活動。
西安西瑪電機向在抗擊疫情前線的工作人員們致敬
西安西瑪電機職工安全生產知識宣傳教育工作全面
西安泰富西瑪電機亮相第27屆中國西部國際裝備
西安泰富西瑪電機將高效節能三相異步電動機作為
西安西瑪電機始終堅持誠信銷售的理念。
關于西安西瑪電機的工作制,大家了解一下。
西安西瑪電機工會慶祝3月8日的評選頒獎活動。
西安西瑪電機向在抗擊疫情前線的工作人員們致敬
西安西瑪電機職工安全生產知識宣傳教育工作全面
西安泰富西瑪電機亮相第27屆中國西部國際裝備
西安泰富西瑪電機將高效節能三相異步電動機作為
西安西瑪電機始終堅持誠信銷售的理念。
泰富西瑪電機
配套電柜
電機配件
YKK系列高壓三相異步電機西安泰富西瑪YKK系列(H355-1000)高壓三相異步電機可作驅動
Y2系列緊湊型高壓異步電機西安泰富西瑪?Y2系列(H355-560)6KV緊湊型高壓異步電機可
YE3系列高效節能電機西安泰富西瑪電機生產的YE3系列高效節能電機達到了國標二級能效標準,
Z4系列直流電機西安泰富西瑪Z4系列直流電動機比Z2、Z3系列具有更大的優越性,它不
Z2系列小型直流電機西安泰富西瑪Z2系列電機為一般工業用小型直流電機,其電動機適用于恒功
ZTP型鐵路機車動車用直流輔助西安泰富西瑪ZTP系列西瑪電機應能滿足鐵路機車動車用直流輔助電機通用



西安西瑪電機緊跟電機行業的發展趨勢,了解電機市場動態,制定出西瑪電機的發展規劃,穩步前行。
隨著國家節能減排的積極推行,新能源汽車產業快速增長及高效節能電機補貼政策的逐步落實,高效節能電機業將迎來爆發式的增長。
西瑪電機售后維修業務有:軸料加工件、鋼板切割、焊接件、高壓機殼、冷卻器、上下罩、高、低壓交直流電機;國內、外電機的修理、維護和試驗。
質量為本,用戶至上”是我公司一貫宗旨。“誠心、貼心、傾心、西瑪永遠用心”的“三心”服務理念。
西安泰富西瑪電機(西安西瑪電機集團股份有限公司)是國內九大的電機供應商之一,產品包括各種高低壓、交直流、高壓同步電機等。


















